CAD Drafting Services | 2D & 3D Experts
We provide expert CAD Drafting Services for architectural, structural, and engineering projects, delivering accurate 2D & 3D drawings and converting sketches, PDFs, and images into precise CAD files.
Introduction
In most projects, drafting is not the headline work. It sits quietly in the background. But when drawings are unclear or inconsistent, everything slows down like coordination meetings run longer, site queries increase, and small mistakes start to compound.
Our CAD Drafting Service supports architects, engineers, contractors, and developers across the USA, UK, and parts of Europe with practical, dependable drafting output. We also provide structured drafting support from India for firms that want to manage workload peaks without expanding permanent teams.
Some clients use our AutoCAD drafting services for overflow. Others rely on us consistently as an outsourced cad drafting extension. In both cases, what matters most is accuracy, alignment with standards, and drawings that people on site can actually work from.
We support companies and professionals all around the globe including USA, UK, Europe and UAE. Need a quote for CAD Drafting Services? Please email us at enquiry@cresireconsulting.com.
What is CAD Drafting?
At its simplest, CAD drafting is the preparation of technical drawings using professional software such as AutoCAD. In reality, it usually starts with something less refined like redlines, sketches, PDFs, or older drawings that need restructuring.
Good AutoCAD drafting is not just digital tracing. It involves checking dimensions carefully, organizing layers logically, maintaining annotation clarity, and ensuring the drawing reflects engineering intent.
Professional CAD drafting services convert incomplete or scattered information into structured documentation that can be issued, reviewed, coordinated, and built from without confusion.
That reliability is what makes drafting valuable.
Let's Create Something Great Together!
Don’t wait any longer to CAD Drafting Services. Contact us today to get a quote!
Why Outsource CAD Drafting to us?
Maintaining a full in-house drafting team can be difficult when project volume fluctuates. Some months require extended support; others do not.
To outsource CAD drafting allows firms to scale more flexibly. With structured support from our India-based drafting team, clients in the USA and UK can reduce overhead while maintaining consistent output quality.
We work within:
- Client layer standards
- Preferred file versions
- Regional code requirements
- Established naming conventions
Drawings are reviewed internally before release. That review focuses on dimensional consistency, layer logic, and clarity of annotations.
Professional CAD drafting services should integrate smoothly into existing workflows. That integration is often more important than speed alone.
Our AutoCAD Drafting Services
We provide CAD conversion and AutoCAD drafting services across multiple disciplines. Each project differs slightly, so we adapt to client templates and regional requirements rather than forcing a fixed structure.
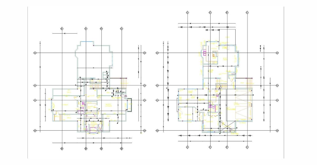
1. Architectural Drafting
Floor plans, elevations, sections, site layouts, and as-built drawings are prepared for residential and commercial developments. Our team is familiar with UK planning documentation formats as well as US construction drawing conventions. The emphasis is always clarity, drawings that communicate without overcomplication.
2. Mechanical Drafting
We prepare fabrication layouts, HVAC drafting, and component drawings that support installation and manufacturing. Mechanical documentation benefits from precision; small dimensional errors tend to escalate quickly during fabrication
3. Structural Drafting
We work with structural concepts in whatever form they arrive, whether preliminary sketches, marked-up PDFs, or detailed engineering drawings. From there, we develop clear and buildable structural CAD drawings. That includes structural plans, reinforcement detailing, foundation layouts, and steel drawings that stay consistent with the engineer’s calculations and design intent. We also take time to check alignment with architectural backgrounds, because small mismatches at this stage often turn into larger coordination issues later on site.
4. Electrical Drafting
Lighting layouts, panel schedules, and distribution drawings are developed with practical site readability in mind. Electrical teams need clear routing and spacing,, not over-layered complexity.
5. PDF to CAD Conversion
When drawings stay in PDF format, revisions quickly become messy. Different versions start circulating, someone references the wrong file, and before long, no one is fully sure which set is current. Converting the PDF into an editable CAD file changes that. Updates can be made directly to a single working DWG, with revisions tracked properly rather than layered across multiple static documents. It keeps everyone working from the same source, reduces confusion over outdated drawings, and makes coordination far more straightforward as the project moves forward.
We also provide both 2D CAD drafting services and 3D CAD drafting services when visualization or coordination depth is required. The choice depends on project needs rather than trend.
Our Working Approach
- Projects usually begin with a simple review call or document exchange. We examine inputs, which might include sketches, PDFs, older DWGs, or markups and confirm expectations.
- Once scope is clear, AutoCAD drafting begins according to agreed standards. We ask for template, layering standards and blocks depending on your geographical locations
- CAD Files are checked before delivery. If revisions are needed, adjustments are handled without unnecessary complication. There is no rigid formula. Some projects are straightforward; others require coordination across disciplines. The process adapts accordingly.
- Deliverables are typically issued in DWG, DXF, or PDF formats, depending on client preference.
Request A Quote
The Practical Benefit of Structured CAD Drafting
When drafting is handled properly, several things happen quietly—especially when integrated with Scan to CAD workflows:
Fewer clarification emails
Cleaner coordination meetings
More reliable quantity extraction
Reduced site-level confusion
These outcomes may seem subtle, but they protect project schedules and improve collaboration. Professional CAD drafting services often go unnoticed when done well—they only become visible when something is missing.
Get Started
If you are seeking dependable CAD drafting support, whether for a short-term workload spike or ongoing project assistance, our team is available to discuss scope and timelines.
Clear drawings contribute directly to smoother coordination. That is the standard we aim to maintain.
Industries We Support
Our CAD drafting service is used by:
- Architecture firms
- Engineering consultants
- MEP contractors requiring MEP Modeling and coordinated drawings
- Construction companies
- Manufacturing teams
We have supported residential, commercial, industrial, and infrastructure projects across the UK, USA, and European markets. The complexity varies. The drafting discipline remains consistent.
Frequently Asked Questions
1. What are CAD Drafting Services?
CAD Drafting Services is a process where accurate computer-generated drawings are produced using computer-aided design techniques. These drawings may be in 2D or 3D format.
2. What types of drawings are included in CAD drafting services?
The types of drawings provided in CAD drafting services may be architectural, structural, MEP, shop drawings, fabrication drawings, 2D drafting, and 3D CAD modeling.
3. What is the difference between 2D and 3D CAD drafting?
2D CAD drafting is a process where accurate 2D drawings, such as floor plans, sections, and elevations, are produced. 3D CAD drafting is a process where accurate 3D images are produced.
4. Who uses professional CAD drafting services?
CAD drafting services are widely used by architectural firms, engineering consultants, MEP contractors, construction companies, designers, and manufacturing companies.
5. Are PDFs and sketches convertible to CAD drawings?
Yes. CAD drafting services can convert hand sketches, scanned drawings, PDFs, and images into accurate CAD drawings.
6. What industries can CAD drafting services assist?
The CAD drafting services can assist various industries including architecture, construction, engineering, infrastructure development, manufacturing, and the real estate sector.
7. Why should I outsource CAD drafting services?
Outsourcing CAD drafting services is an intelligent move for any company as it will help the company save money, increase accuracy, enhance the project completion time, and utilize the expertise of CAD drafting professionals.
8. How can CAD drafting services ensure project accuracy?
Professional CAD drafting services ensure project accuracy as experienced CAD drafters are skilled in creating detailed drawings to ensure accuracy and efficiency in project completion.
9. Do CAD drafting services include MEP modeling and coordination?
Yes. CAD drafting services include MEP modeling services to ensure better coordination between mechanical, electrical, and plumbing systems in architectural and structural building designs.
10. How can I start CAD drafting services?
You can start CAD drafting services by sharing your project drawings, sketches, or PDF files with our CAD experts. Our CAD experts will ensure accurate CAD drafting services to meet your project requirements.
Project Case Studies
Customer Reviews
-
Brandon Residential Developer, CanadaIt was a pleasure working with you! Thanks for your support on this project.
We’ll reach out with any other work in the future. -
Tahir Electrical Engineer, UKLorem ipsum dolor sit amet, consectetur adipiscing elit. Ut elit tellus, luctus nec ullamcorper mattis, pulvinar dapibus leo. -
Confidential Tim-Surveyor, USAVery Responsive! A new client and project were made possible by one of your models that I shared with one of my clients' coworkers.



